Ռոբոտի բռնիչ (ձեռք)

Post Reply
davbaghdasaryan
Posts: 101
Joined: Thu Apr 09, 2020 8:08 pm

Ռոբոտի բռնիչ (ձեռք)

Post by davbaghdasaryan »

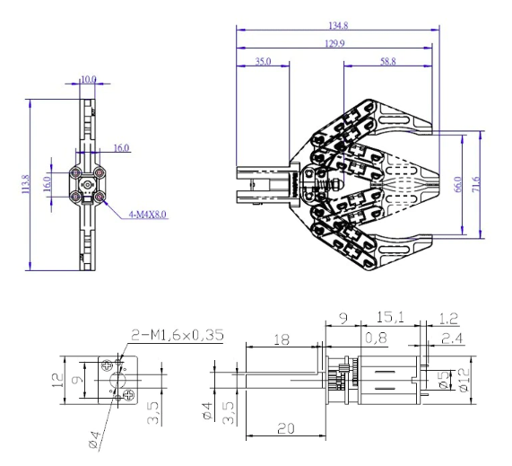
Նկարագրություն:
Այս ռոբոտի բռնիչը պատրաստված է ծանր դիմացկուն, բայց թեթև PVC-ից, այն ներքևում ունի չորս ստանդարտ M4 պտուտակի անցքեր՝ հեշտ հավաքելու համար:

Հատկություններ:
- Ինքնակողպվող մատներ
- Լրացուցիչ հակասայթաքուն նյութ երկու մատների ներքին կողմերի վրա
- Ներկառուցված վերականգնվող ապահովիչը պաշտպանում է N20 պտուտակային շարժիչը կարճ միացումներից և ավելորդ հոսանքից

Շարժիչի բնութագրերը.
- Լարումը` 12 Վ
- Գործող հոսանք՝ ≤110 մԱ
- Արագություն՝ 600±10% RPM
Screen Shot 2022-05-13 at 20.40.58.png
Screen Shot 2022-05-13 at 20.40.58.png (139.33 KiB) Viewed 19829 times
Screen Shot 2022-05-13 at 20.41.09.png
Screen Shot 2022-05-13 at 20.41.09.png (206.79 KiB) Viewed 19829 times

davbaghdasaryan
Posts: 101
Joined: Thu Apr 09, 2020 8:08 pm

robot gripper

Post by davbaghdasaryan »

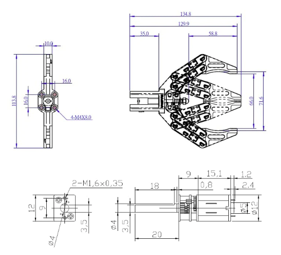
Description:
This robot gripper is perfect for all your gripping needs. Made from heavy duty but lightweight PVC, it comes with four standard M4 thread holes on the bottom for easy assembly.

Features:
- Self-locking fingers
- Extra anti-slip material on the internal sides of two fingers
- A built-in resettable fuse protects the N20 screw motor from short-circuits and over-current

Motor Specifications:
- Voltage: 12V
- Operating Current: ≤110mA
- Speed: 600±10%RPM
Screen Shot 2022-05-13 at 20.40.58.png
Screen Shot 2022-05-13 at 20.40.58.png (139.33 KiB) Viewed 19828 times
Screen Shot 2022-05-13 at 20.41.09.png
Screen Shot 2022-05-13 at 20.41.09.png (206.79 KiB) Viewed 19828 times

Post Reply